
用途
LB-7靜态閉鎖要细学日语是苏州洋晖网络科技有限公司在傳統電磁型要细学日语的基礎上進行研發升級的。主要适用于發電廠及變電所内高壓母線上的電壓互感器(PT)的二次側、當高壓母電時防止工作人員誤合接地刀閘。安裝LB-7閉鎖要细学日语可防止此類安全問題的發生。
特點
1、LB-7閉鎖要细学日语帶有三個單獨的LED燈分别顯示A、B、C相是否帶電或缺相,并且具有獨立的閉鎖燈顯示;
2、由傳統的電磁型升級為電子型靜态要细学日语,LB-7的硬件更安全可靠,升級後接線方式與傳統的電磁型閉鎖要细学日语基本一緻;
3、帶有MCU單片機采樣控制,具有獨立判定;
4、LB-7閉鎖要细学日语采用導軌安裝,殼體具有體積小、外形美觀等優點,并且符合歐規标準;
5、抗幹擾能力強EMC(浪湧、脈沖群、靜電)等試驗可過4級;
6、在-40℃~70℃環境溫度下能夠可靠運行。
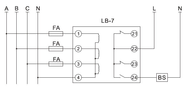
LB-7接線圖

LB-7安裝尺寸圖

 上一篇:
            
    什麼是光伏發電防孤島保護裝置
    
        
 下一篇:
        
    什麼是感應式高壓帶電顯示器?